Sanostalni čitač nove generacije sa podrškom za Tuya, Smart Life i Alex Home aplikaciju. Real-time upravljanje lozinkama i vremenskim ograničavanjem istih.
- Čipovi: EM ili Mifare (125 kHz / 13.56 MHz)
- Otvaranje lozinkom, čipom i aplikacijom
- Touch tastatura, jako metalno kućište po IP66
- Relejni ulaz/izlaz

Samostojeći čitač nove generacije sa podrškom za Tuya, Smart Life i Alex Home aplikaciju donosi jednostavno upravljanje, visoku sigurnost i moderan dizajn
Sa ponosom predstavljamo najnoviji uređaj za pristupnu kontrolu – H4-Dual WF, samostojeći WiFi pristupni čitač koji donosi maksimalnu fleksibilnost i sigurnost za poslovne i stambene objekte.
Uređaj je izrađen u robusnom metalnom kućištu otpornom na vandalizam („metal housing, antivandal“) i sertifikovan za zaštitu od vode i prašine kroz standard IP6. Radi u uslovima od -40 °C do +60 °C i vlage do 98 % RH, što ga čini idealnim i za spoljnu montažu.
H4-Dual WF koristi WiFi vezu (moguće i pristup putem 3G/4G/5G mreža) što omogućuje udaljeno upravljanje pomoću aplikacije. Podržava kartice EM ili Mifare (125 kHz / 13.56 MHz), PIN kod i mobilnu aplikaciju kao načine pristupa.
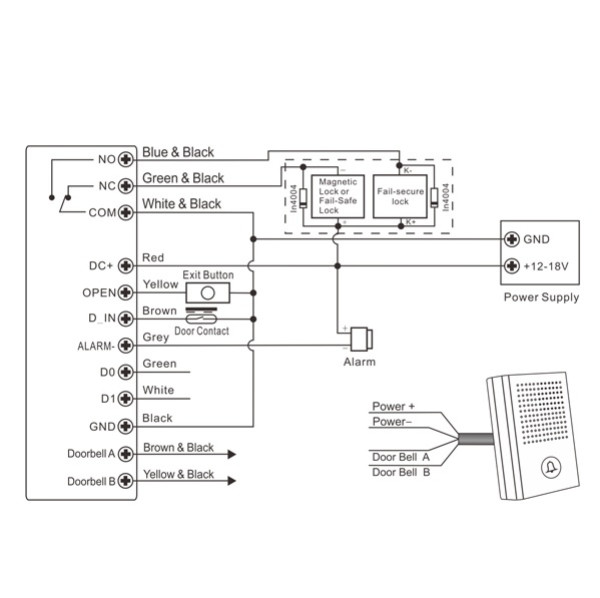
Kapacitet korisnika je do 1000 „common users“ i do 500 pomoću aplikacije. Povezivost je omogućena pomoću Wiegand interface (26-44/56/58 bitovi), a izlazni relej podržava NO/NC kontakte do 2 A opterećenja.
Ključne prednosti za korisnika
- Instalacija je jednostavna zahvaljujući WiFi-rešenju: nema potrebe za dodatnim Ethernet kablovma ili lokalnim serverima.
- Upravljanje pristupom moguće je sa mobilne aplikacije: dodavanje i brisanje korisnika, vreme pristupa, pregled zapisa – sve na dlanu.
- Fleksibilnost pristupa korisnicima: kombinacija kartica, PIN-a i mobilnog telefona omogućuje različite scenarije korišćenja (npr. zaposleni, posetioci, spoljni saradnici).
- Robusnost i otpornost: metalno kućište, IP66 zaštita, širok raspon temperatura čine uređaj pogodnim i za spoljnu montažu, na neosiguranim mestima ili u zahtevnijim uslovima.
- Napredne funkcije: vremensko ograničen pristup, privremene lozinke, praćenje zapisa otvaranja – podižu nivo sigurnosti i fleksibilnosti.
Verzija sa čitačem otiska prsta
Kako bi se zadovoljili i najstroži sigurnosni zahtevi, nudi i IN-H4-Dual WF fingerprint verziju – ista baza uređaja, ali sa dodatnim biometrijskim senzorom otiska prsta. Idealna je za lokacije gde su samo ovlašćene osobe omogućene pristupom pomoću jedinstvene identifikacije.
Zašto da izaberete IN-H4-Dual WF?
Uporedjujući sa klasičnim pristupnim sistemima koji često zavise od žičane infrastrukture, lokalnim serverima ili skupljim rešenjima, IN-H4-Dual WF donosi pametnu, mobilnu i skalabilnu alternativu. Brža instalacija, daljinsko upravljanje, fleksibilnost pristupa i robusna konstrukcija čine ga vrlo atraktivnim za modernu zgradu, kancelarijski prostor ili stambeni kompleks.
U svetu gde je sigurnost pristupa i fleksibilnost upravljanja ključna – H4-Dual WF predstavlja snažno rešenje. Ako želite kontrolu pristupa koja je jednostavna za korišćenje, lagana za instalaciju, ali izuzetno efikasna – ovo je vaš izbor.
| Purpose | Access control |
| Installation | Surface mounted |
| Item type | Reader/keyboard |
| Identification method | RFID, PIN |
| Reading frequency | 125 kHz, 13,56 MHz |
| Power supply | 12~18V DC |
| Communication | Wiegand, Wi-Fi |
| Reading range | 2~6cm |
| Keyboard | Yes |
| LED signaling | Yes |
| LCD display | No |
| Operating temperature | -40°C to +60°C |
| Number of outputs for electric lock | 1 |
| Output type | Relay output |
| Exit button input | 1 |
| Door open status input | 1 |
| Max number of users | 1000 |
| Consumption | ≤60mA (at rest), ≤150mA (operating) |
| Mechanical protection degree | IP66 |
| Programming mode | Keyboard/app |
| Dimensions | 165x44x22mm |